Cvičná zadání
Cvičná zadání k praktickým otázkám
Cvičná zadání k maturitní zkoušce, která jsou obdobná maturitním zadáním.
Programování
1) Načtěte od uživatele 4 desetinná čísla a na výstupu konzole bude vypsán aritmetický průměr těchto 4 hodnot a poté jejich součin, pro tyto operace si vyberte dva různé cykly.
2) Napište program, který bude simulovat výrobní linku počítače.
Pro výrobu počítače je potřeba hlídat stav skladu, ze kterého se berou díly.
Pro sestavení jednoho PC je potřeba:
1x case, 1x základní deska s procesorem, 2x RAM, 3x chladič.
Je potřeba čekat na výrobní linku která:
za jeden výrobní cyklus se vyrobí 1x case 0.5x základní desky s procesorem, 0.7x RAM a 4x chladičů.
Po naskladnění dostatku dílů program vypíše, kolik bylo potřeba výrobních cyklů, na sestavení jedné PC stanice.
3) Napište program, který umožní uživateli opakovaně zadat celé číslo N. Program následně vypíše všechna čísla v intervalu 0 – N*20, která jsou zároveň násobky čísla N.
INPUT: 10
Interval: 0-200
OUTPUT: 10-20-.....190-200
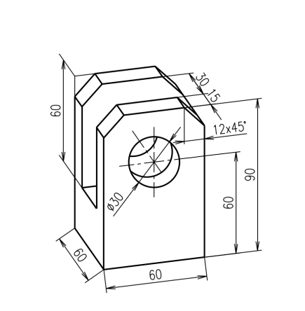
3D tisk
zde je výkres, ze kterého vymodelujte 3D model
Model, převedete do formátu STL, který importujete do aplikace PrusaSlicer.
V aplikaci PrusaSlicer vyberte plochu, která je ideální pro tisknutí podle základních dvou pravidel (co největší dotyková plocha s podložkou a minimum přemostění, které vyžaduje podpěry). Jako materiál zvolte materiál, který je vhodný pro mechanické součásti. Podle potřeby vyberte možnost límce, které je vhodná v případě tisknutí malého a vysokého modelu. Výšku tisknuté vrstvy nastavte na 0.15mm. Zkuste porovnat s nejvyšší možnou hodnotou a nejnižší a vyvoďte důsledky. V případě možných přemostění vyberte možnost podpěry. Výplň nastavte na 20%.
V rámci této otázky, je nutné znát základní typy materiálu a princip fungování 3D tiskáren (vše na skriptech) , ovládání aplikace Cinema 4D nebo Inventor a PrusaSicer (základní možnosti nastavení tisku a práce s modelem uvnitř aplikace)
Případové studie
Vytvořte případovou studii na téma výběru počítačových komponent pro vaší vysněnou sestavu. Na začátku celé studie je potřeba vytyčit si cíle, které má stanice zvládat a její limity. Cílem může být konkrétní výkon/ spotřeba, či účel a limitem může být cen / rozměr / spotřeba. V případové studii je vždy potřeba svůj výběr obhájit, může to být formou přečtené recenze nebo vaším porovnáním s ostatními možnostmi, které jsou na trhu. Závěrem může být jestli jste splnili stanovené cíle a limity, případně znovu zdůvodnit jejich nedodržení např. (stanice je dražší o 500 kč, ale má po stránce grafického výkonu mnohem lepší výkon, což bylo prioritou stanovenou v cílech). Můžete do výběru zároveň zařadit i přípojná zařízení, které Vám pomohou s lepší orientací u maturitní otázky číslo 3)
Databáze
V jedné tabulce budou zapsání zaměstnanci školy (jméno, přijmení, datum narození a bydliště)
V druhé tabulce budou zapsány místnosti a zaměstanci, kteří mají od místnosti klíče
Ve třetí bude seznam předmětů a jejich vyučujících a místností ve které jsou dané předměty vyučovány.
Operační systémy
Vytvořte tři uživatele a dvě skupiny např. (user1, user2, user_admin) a (user, admin)
Dva uživatele přidejte do skupiny user a jednoho do skupiny admin
Jeden uživatel bude mít vytvořenou novou vlastní složku
Ve složce se bude nacházet námi vytvořený textový soubor
U nově vytvořeného souboru nastavte práva na: vlastník všechna práva, skupina právo ke čtení a spuštění a ostatní budou mít právo pouze ke čtení.

No comments to display
No comments to display